
KĄTOWNIK MONTAŻOWY ŁĄCZNIK 90x90x40 KM16 10 szt.

Standardowe kątowniki z uniwersalną perforacją. Ilość umieszczonych w nich otworów sprawia że za pomocą tych kątowników można zrealizować wiele prostych, jak i skomplikowanych połączeń.
Specyfikacja:
- Długość: 90 mm
- Długość: 90 mm
- Szerokość: 40 mm
- Grubość: 2,0 mm
- Blacha Ocynkowana ogniowo Z275
- Kolor: Srebrny


MOCOWANIE:
- gwoździe pierścieniowe ANCHOR ø4
- wkręty ciesielskie do łączników
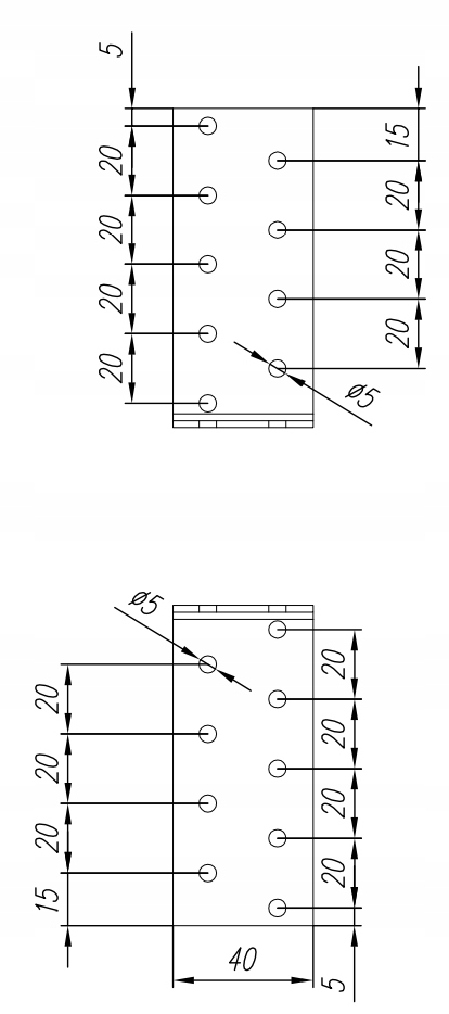
RYSUNEK TECHNICZNY:
- KM1 – 40 x 40 x 40 x 2 [mm]
- KM2 – 40 x 40 x 60 x 2 [mm]
- KM3 – 60 x 60 x 40 x 2 [mm]
- KM4 – 60 x 60 x 60 x 2 [mm]
- KM5 -60 x 60 x 80 x 2 [mm]
- KM6 – 60 x 60 x 100 x 2 [mm]
- KM7 – 80 x 80 x 40 x 2 [mm]
- KM8 – 80 x 80 x 60 x 2 [mm]
- KM9 – 80 x 80 x 80 x 2 [mm]
- KM10 – 80 x 80 x 100 x 2 [mm]
- KM11 – 100 x 100 x 60 x 2 [mm]
- KM12 – 100 x 100 x 80 x 2 [mm]
- KM13 – 100 x 100 x 100 x 2 [mm]
- KM14 – 40 x 40 x 100 x 2 [mm]
- KM15 – 40 x 40 x 200 x 2 [mm]
- KM16 – 90 x 90 x 40 x 2 [mm]


ATEST:
- Europejska Aprobata Techniczna
- Deklaracja Właściwości Użytkowych
- Certyfikat Zgodności Zakładowej Kontroli Produkcji
Wszystkie oferowane przez nas łączniki charakteryzuje najwyższa jakość i można je bez obaw stosować w budownictwie. Dokładamy wszelkich starań, aby wyroby dostarczane naszym kontrahentom były bezpieczne i przystosowane do konkretnych zadań.
ZASTOSOWANIE:


















Opinie
Na razie nie ma opinii o produkcie.